Описание
Описание
| Напряжение питания (DC): | 26.0V (max) |
| Номинальный ток: |
1.00 A |
| Количество выходных интерфейсов: |
1 |
| Входное напряжение (DC): |
26.0V (max) |
| Выходное напряжение: |
5 V |
| Выходной ток: |
1 A |
| Ток питания: |
10mA ~ 15mA |
| Количество стежков: |
3 |
| Ток покоя: |
15 mA |
| Тип выходной емкости: |
Tantalum |
| Напряжение отпадания: |
500 mV |
| Количество регулируемых выходов: |
1 |
| Максимальное входное напряжение: |
26 V |
| Входное напряжение (мин): |
0 V |
| Выходное напряжение (мин): |
5 V |
| Входное напряжение: |
6.25V ~ 26V |
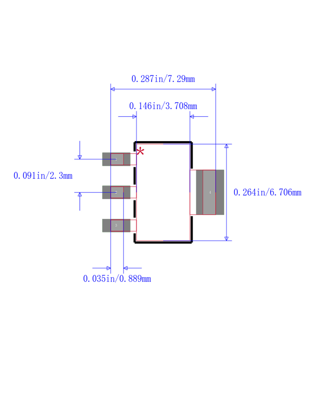
| Стиль монтажа: | Surface Mount |
| Количество выводов: |
4 |
| Корпус/Пакет: |
TO-261-4 |
| Рабочая температура: |
-40℃ ~ 85℃ |
Техническая спецификация: LM2940IMP-5.0.pdf
