Описание
Описание
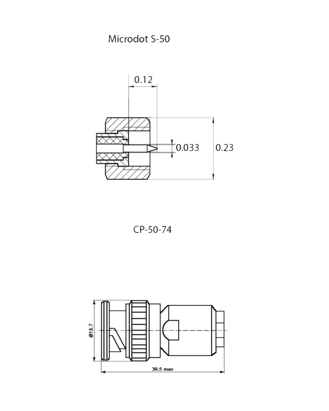
Технические характеристики:
| Серия: |
СР-50/Microdot |
| Тип разъемов: |
Сторона 1: СР-50-74ФВ Сторона 2: Microdot S-50 |
| Тип кабеля: |
коаксиальный кабель с защитой от помех |
| Центральный проводник: | ∅ 0.48 мм (7×0.16) |
| Диэлектрическая защита центральной жилы: |
Пероксидно сшитый полиэтилен ∅1,52 мм |
| Оплетка: | луженая медь, ∅1.98 мм (16×5×0,1 мм) |
| Оболочка: | поливинилхлорид, ∅2.55 мм |
| Сопротивление изоляции: |
5000 мОм/км |
| Индуктивность кабеля: |
0.23 мкГн/м |
| Эффективность экранирования (при максимально возможной 90 дБ): |
50 дБ |
| Усилие на разрыв: |
9,5 кг |
| Температура применения: |
от -40 до +70°C |
| Длина кабеля: |
1,2 м / 1,5 м (базовая) любая по заказу |
Комплектация: кабельный соединительный 1,2 м / 1,5 м, упаковка.
Сертификат качества (по требованию).
