Оплачивайте покупку по частям
Всё просто
Получайте заказы сразу, а платите за них постепенно.
-
25%
Платёж сегодня
-
25%
Через 2 недели
-
25%
Через 4 недели
-
25%
Через 6 недель
-
25%
Платёж сегодня
-
25%
Через 2 недели
-
25%
Через 4 недели
-
25%
Через 6 недель
-
25%
Платёж сегодня
-
25%
Через 2 недели
-
25%
Через 4 недели
-
25%
Через 6 недель
- Покупка уже ваша
- Выбирайте любые понравившиеся товары, сборка заказа начнётся сразу после оформления и оплаты первых 25% стоимости. 4 небольших платежа
- Плати частями – просто ещё один способ оплаты: сервис автоматически будет списывать по 1/4 от стоимости покупки каждые 2 недели.
- Нужно просто ввести ФИО, дату рождения, номер телефона и данные банковской карты.
- Соберите корзину.
- В способе оплаты нужно выбрать «Оплата частями».
- Спишем первый платёж и отправим вам заказ. Остальное — точно по графику.
Описание
Описание
Напряжение питания (DC): | 2.97V (min) |
Количество стежков: |
10 |
Напряжение питания: | 2.97V ~ 5.5V |
Стиль монтажа: |
Surface Mount |
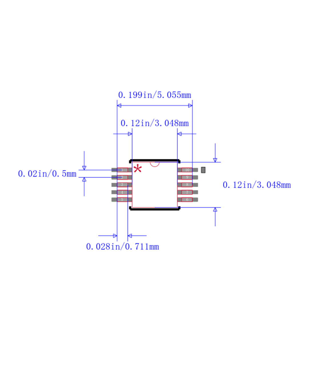
Количество выводов: |
10 |
Размеры: | 3.05×3.05×0.95 мм (Д×Ш×В) |
Корпус/Пакет: |
MSOP-10 |
Рабочая температура: |
-40℃ ~ 85℃ |
Техническая спецификация: DS1390U-33_.pdf