Описание
Описание
| Напряжение Питания (DC): | 5.50V (max) |
| Количество выходных интерфейсов: |
8 |
| Тип контактов: | SPST |
| Ток питания: | 10 µA |
| Количество цепей: |
8 |
| Количество каналов: |
8 |
| Количество стежков: |
24 |
| Сопротивление Сток-исток (открытого канала): |
4.50 Ω |
| Количество битов: |
8 |
| Рассеяние мощности: | 0.000125 W |
| Ширина ленты: | 155 MHz |
| Количество входов: |
8 |
| Полоса пропускания 3 дБ: | 155 MHz |
| Напряжение питания: | 2.7V ~ 5.5V |
| Стиль монтажа: | Surface Mount |
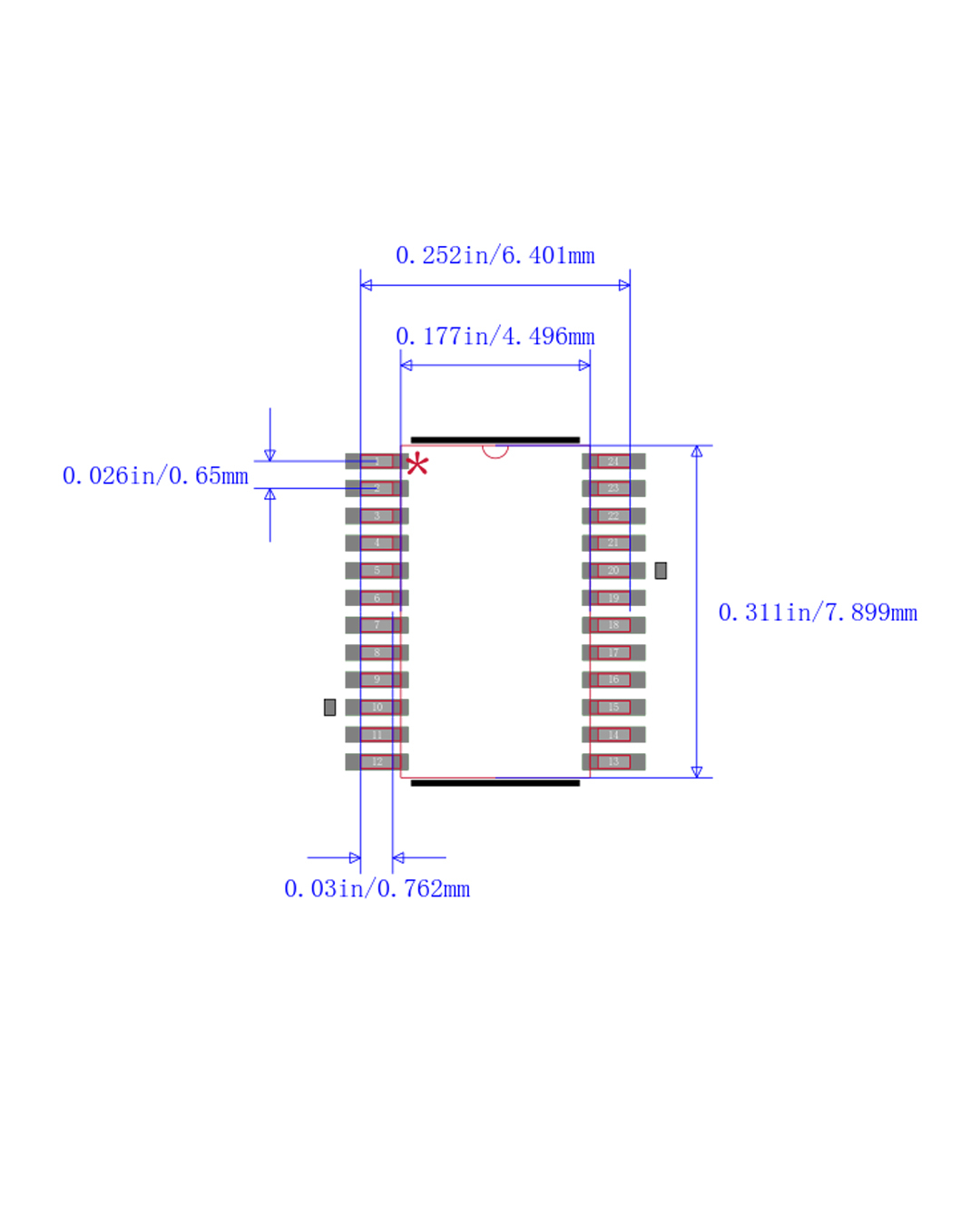
| Количество выводов: |
24 |
| Размеры: |
7.8×4.4×1.05 мм (Д×Ш×В) |
| Корпус/Пакет (СИ): | Корпус/Пакет (СИ): |
| Корпус/Пакет: | TSSOP-24 |
| Рабочая температура: | -40℃ ~ 85℃ |
Техническая спецификация: ADG714BRUZ.pdf
