Описание
Описание
| Напряжение питания (DC): |
5.50V (max) |
| Рабочее напряжение: |
2.7V ~ 5.5V |
| Количество выходных интерфейсов: |
1 |
| Ток питания: | 25.0 mA |
| Количество каналов: |
1 |
| Количество стежков: |
28 |
| Количество битов: |
8 |
| Рассеяние мощности: |
175 mW |
| Частота выборки: |
125 Msps |
| Разрешение (биты): |
8.0 |
| Рассеиваемая мощность (макс): |
175 mW |
| Количество ЦАПов: |
1 |
| Напряжение питания: |
2.7V ~ 5.5V |
| Стиль монтажа: | Surface Mount |
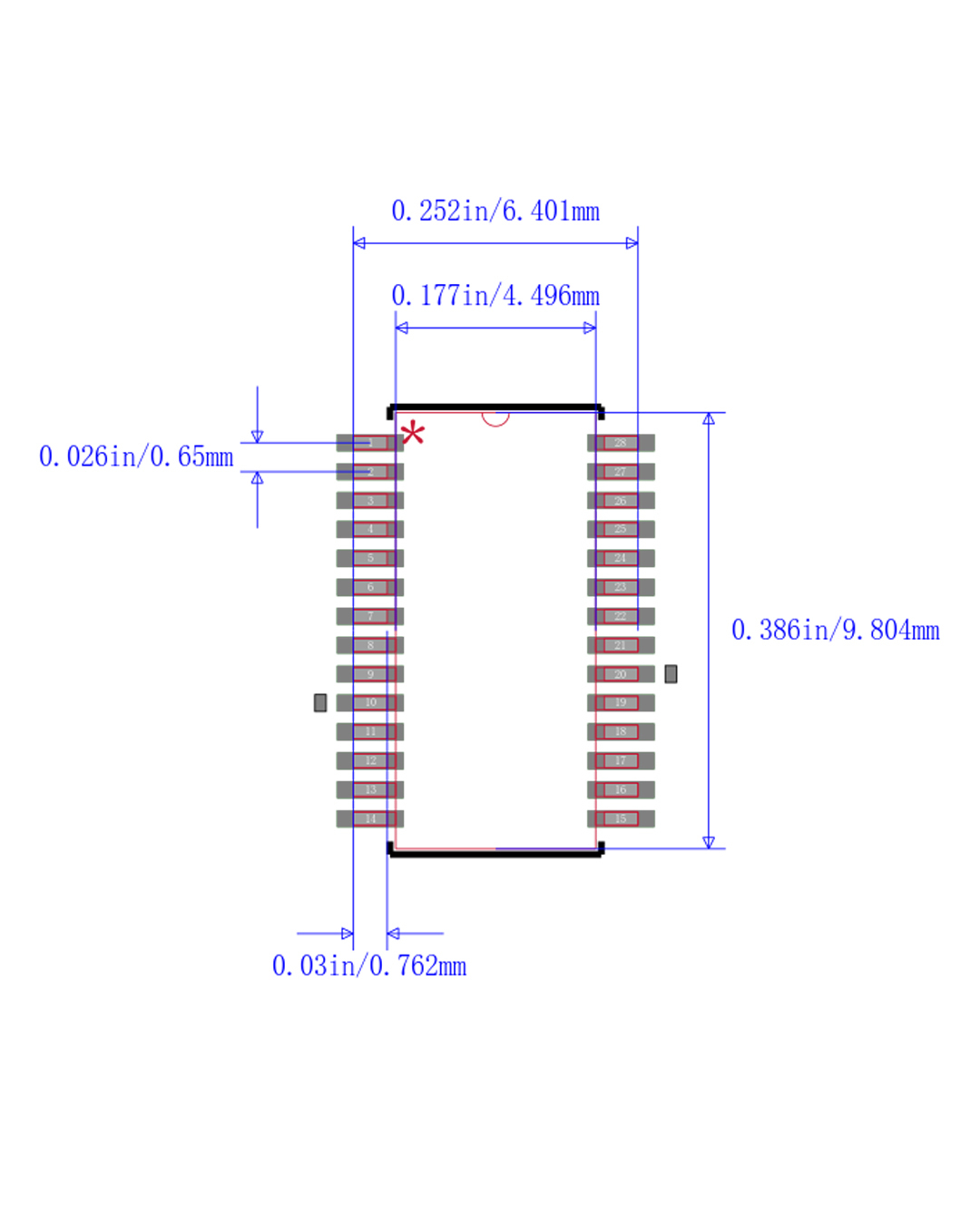
| Количество выводов: |
28 |
| Размеры: |
9.7×4.4×1.05 мм (Д×Ш×В) |
| Корпус/Пакет: |
TSSOP-28 |
| Рабочая температура: | -40℃ ~ 85℃ |
Техническая спецификация: AD9708ARZ.pdf
