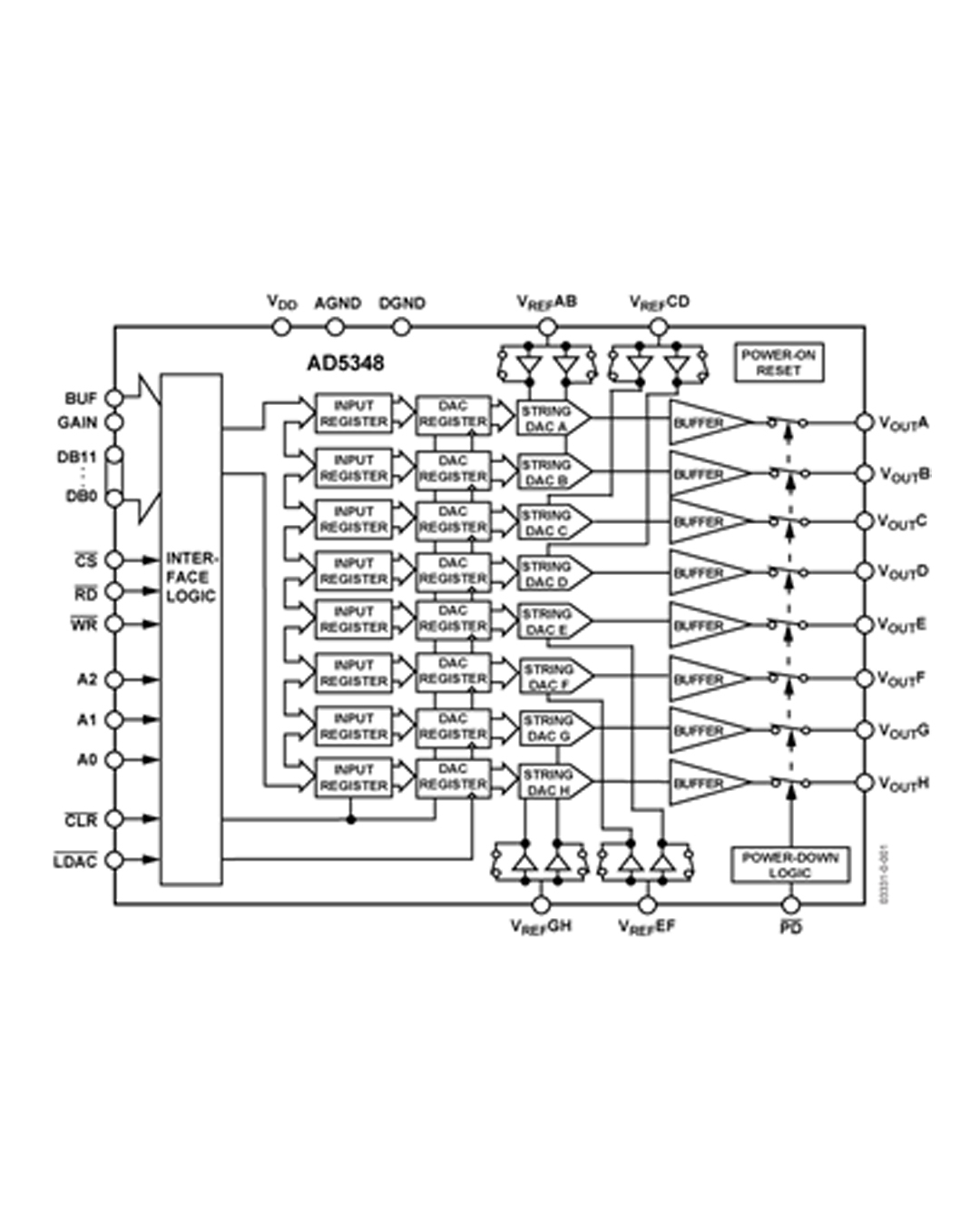
Описание
Описание
| Количество выходных интерфейсов: |
8 |
| Ток питания: |
1.00 mA |
| Количество каналов: |
8 |
| Количество стежков: |
38 |
| Количество битов: |
12 |
| Рассеяние мощности: |
8.3 mW |
| Частота выборки: |
125 ksps |
| Разрешение (биты): |
12.0 |
| Количество ЦАПов: |
8 |
| Напряжение питания: | 2.5V ~ 5.5V |
| Стиль монтажа: | Surface Mount |
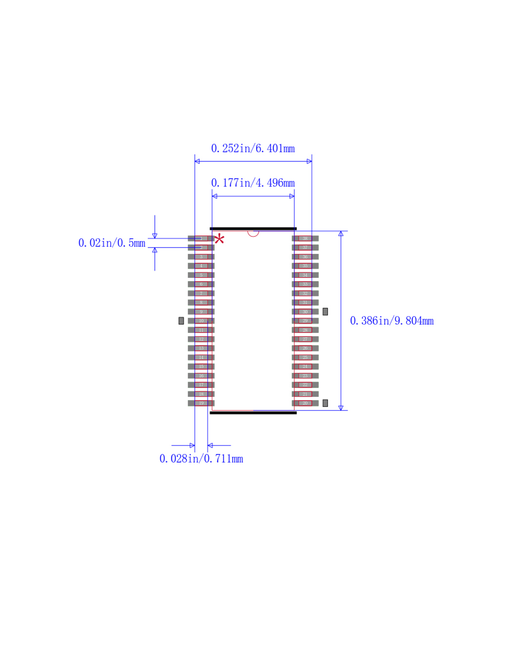
| Количество выводов: |
38 |
| Корпус/Пакет: |
TSSOP-38 |
| Размеры: | 9.8×4.5×1.05 мм (Д×Ш×В) |
| Рабочая температура: |
-40 ~105℃ |
Техническая спецификация: AD5348BRUZ.pdf
